تخفیف مخصوص خرید اولکد تخفیف: 3dsaya
خدمات نقشه کشی صنعتی
تخفیف مخصوص خرید اولکد تخفیف: 3dsaya
جهت نمایش قیمت و خرید، سایز محصول خود را انتخاب کنید
نقشهکشی صنعتی حرفهای - تبدیل ایدهها به نقشههای قابل تولید
آیا به نقشهای دقیق، استاندارد و قابل تولید برای قطعه یا محصولتان نیاز دارید؟
گروه طراحی و مهندسی سایا با تخصص در نقشهکشی صنعتی، شریک مطمئن شما برای تبدیل مدلهای سهبعدی به نقشههای فنی دقیق و استاندارد است. ما با رعایت کامل استانداردهای بینالمللی و صنعتی، نقشههایی تولید میکنیم که مستقیماً قابل استفاده برای تولید و ساخت هستند.
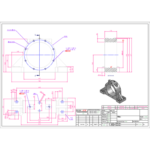
خدمات نقشهکشی صنعتی
📐 تبدیل مدل سهبعدی به نقشه دوبعدی
- تولید نقشههای 2D استاندارد از مدلهای سهبعدی
- رعایت کامل اصول نقشهکشی فنی
- تنظیم مقیاس و layout مناسب برای چاپ و مطالعه
- ایجاد نماهای مختلف (جلو، بالا، جانبی، مقطع)
🔧 استانداردسازی کامل
- پیروی از استانداردهای ISO, ASME, DIN
- استفاده از نمادها و علائم فنی استاندارد
- رعایت قوانین خطکشی و نمایش ابعاد
- تطبیق با الزامات صنعتی و تولیدی
📏 درج ابعاد و تلرانسها
- درج ابعاد کلیدی و حیاتی
- تعیین تلرانسهای مناسب برای تولید
- جانمایی ابعاد به شکل خوانا و منطقی
- رعایت ابعادگذاری
🏷️ علائم فنی و مشخصات
- درج علائم زبری سطح (Surface Finish)
- مشخصات هندسی و ابعادی (GD&T)
- علامتگذاری جوشها و اتصالات
- مشخصات مواد و پردازش حرارتی
📋 جدول BOM و اطلاعات تکمیلی
- ایجاد Bill of Materials کامل
- فهرست قطعات و مواد مصرفی
- مشخصات فنی و کدگذاری قطعات
- جدول تغییرات و بازنگریها
💥 نمای انفجاری (Exploded View)
- نمایش جداگانه قطعات مجموعه
- ترتیب مونتاژ و جهت نصب
- شمارهگذاری قطعات برای راهنمای مونتاژ
- نمایش روابط و اتصالات بین قطعات
🏭 آمادگی برای تولید
- نقشههای مناسب برای CNC و ماشینکاری
- طراحی برای قالبسازی و ریختهگری
- تطبیق با فرایندهای ساخت مختلف
- بهینهسازی برای تولید انبوه
مناسب برای:
✔️ مهندسین مکانیک و طراحان صنعتی
✔️ شرکتهای تولیدی
✔️ پروژههای تحقیقاتی و پایاننامه
✔️ کسبوکارهای نوپا
✔️ بازسازی قطعات قدیمی
چرا گروه طراحی و مهندسی سایا؟
✅ تسلط کامل به اصول طراحی و استانداردهای بینالمللی
✅ تجربه گسترده در نقشهکشی انواع قطعات صنعتی
✅ تحویل فایلهای قابل ویرایش (DWG, PDF) و نقشههای آماده چاپ
✅ قیمت مناسب با کیفیت حرفهای
✅ مشاوره رایگان قبل از شروع پروژه
✅ تضمین کیفیت و رضایت مشتری
📞 تماس بگیرید: 09136203720
💬 واتساپ / تلگرام / بله / ایتا
گروه طراحی و مهندسی سایا
#نقشه_کشی_صنعتی #طراحی_فنی #مدل_سه_بعدی #3dsaya
#نقشه_کشی_حرفه_ای #استاندارد_صنعتی #طراحی_صنعتی #3dsaya
#CNC_programming #technical_drawing #engineering_design #3dsaya
دیدگاه ها













